 |
ROWERY I INNE POJAZDY ELEKTRYCZNE - FORUM ARBITERRowery, trójkołowce, ryksze, skutery, hulajnogi i inne lekkie pojazdy elektryczne Porady, zdjęcia, filmy, konstrukcje, opinie
|
|
Kona Stinky Nine |
| Autor |
Wiadomość |
Ebisef
młodzik


Dołączył: 08 Sie 2016 Posty: 58 Skąd: Poznań
|
Wysłany: Sob 28 Paź, 2017 Kona Stinky Nine
|
|
|
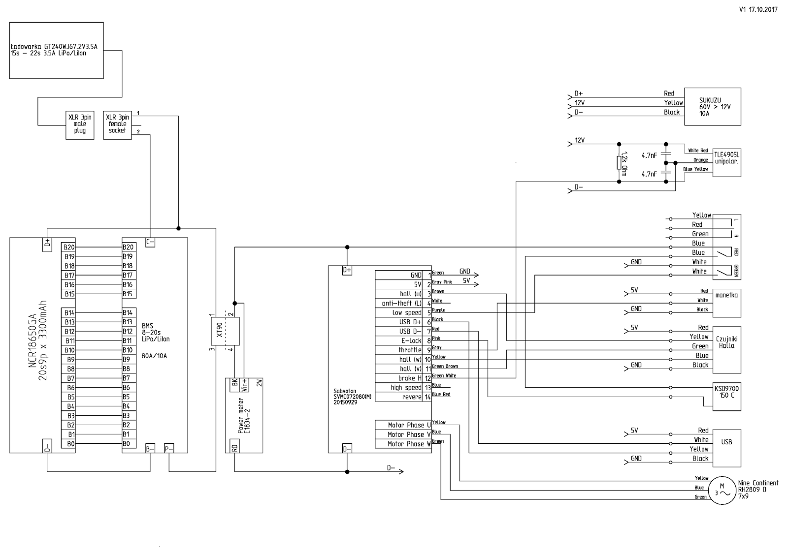
Cześć, chciałbym zaprezentować wam moją kolejną konstrukcję:
Najciekawszy w całej konstrukcji jest fakt, że w ramie udało mi się upchnąć aż 180 ogniw 18650.
Cała sztuczka polega na tym, że ogniwa są ułożone w dwóch rzędach a obudowa ma szerokość 150mm.
Z uwagi na amortyzator/damper, obudowa zaczyna się dalej niż w standardowych rozwiązaniach z ramą typu hardtail.
Dlatego też taka szerokość obudowy nie wpływa negatywnie na komfort jazdy.
Na dzień dzisiejszy rower ma przejechane ok 3500 km i spisuje się naprawdę rewelacyjnie.
Konfiguracja:
- akumulator 20s9p x Sanyo NCR18650GA (3233mAh), 60V-84V, 29Ah, 2,15kWh,
- BMS 20s 80A
- sterownik Sabvoton SVMC072080,
- silnik Nine Continent RH2809 D (7x9),
- przetwornica 12V 10A,
- przetwornica USB 5,2V , 1,7A,
- miernik mocy VAC-1100A,
- czujnik hamulca TLE4905L
Waga całkowita to 37kg.
Prędkość maksymalna to 47km/h bez funkcji FLUX.
Wraz z rozładowywaniem akumulatora prędkość maksymalna spada do 33km/h.
Minimalny zasięg to 120km jazdy z dużą prędkości i w trudnym terenie bez pedałowania.
Zasięg maksymalny to ok 200km.
Całą historię budowy roweru możecie zobaczyć ..::TUTAJ::... |
_________________ Popełniłem:
Poison 3kW
Kona Stinky Nine 3kW
Aktualnie rzeźbię Falcona
inst: ebisef |
| Ostatnio zmieniony przez Ebisef Czw 02 Sie, 2018, w całości zmieniany 1 raz |
|
|
|
 |
Elektrotonus
prezes Łukasz R


Pomógł: 17 razy Wiek: 49 Dołączył: 17 Lip 2016 Posty: 820 Skąd: Warszawa
|
Wysłany: Sob 28 Paź, 2017
|
|
|
Mam identyczny silnik tylko biały w takiej obręczy zielonej |
|
|
|
 |
sirgregs
prezes

Pomógł: 24 razy Dołączył: 14 Paź 2015 Posty: 933 Skąd: Łódź
|
Wysłany: Sob 28 Paź, 2017
|
|
|
| Super sprzęcik wyszedł. |
|
|
|
 |
tas [Usunięty]
|
Wysłany: Sob 28 Paź, 2017
|
|
|
A nie dobija opona do sterownika? |
|
|
|
 |
Ebisef
młodzik


Dołączył: 08 Sie 2016 Posty: 58 Skąd: Poznań
|
Wysłany: Nie 29 Paź, 2017
|
|
|
| tas napisał/a: | A nie dobija opona do sterownika? |
W boxxerze jest czarna sprężyna, nie udało mi się jeszcze dobić do sterownika |
_________________ Popełniłem:
Poison 3kW
Kona Stinky Nine 3kW
Aktualnie rzeźbię Falcona
inst: ebisef |
|
|
|
 |
MateuszSz
początkujący E team Beskid Śląski


Pomógł: 2 razy Wiek: 32 Dołączył: 02 Lip 2017 Posty: 46 Skąd: Skoczów
|
Wysłany: Nie 29 Paź, 2017
|
|
|
| tas napisał/a: | A nie dobija opona do sterownika? |
Aluminium przyjmnie wszystko |
_________________ First Romet 3kw done
Current now Falcon v2 12kw Done
Light Mountain Tank for wife in preparation |
|
|
|
 |
tas [Usunięty]
|
Wysłany: Nie 29 Paź, 2017
|
|
|
Ostatnio miałem na serwisie sterownik sabvoton, któremu przy dobiciu opona zerwała plastikową osłonę obudowy i do środka nawpadało liści i patyków.
Sterowniki źle działają z liściami i patykami wewnątrz |
|
|
|
 |
sannis
brygadzista

Pomógł: 2 razy Dołączył: 12 Paź 2013 Posty: 299 Skąd: z Parku
|
Wysłany: Nie 29 Paź, 2017
|
|
|
| Bardzo fajnie całość wyszła, tylko okleić laminat folią i będzie niezła lala. A powiedz no, w jaki sposób połączyłeś dwa rzędy akumulatora - 10S+10S? jak izolujesz oba rzęd? |
|
|
|
 |
Ebisef
młodzik


Dołączył: 08 Sie 2016 Posty: 58 Skąd: Poznań
|
Wysłany: Nie 29 Paź, 2017
|
|
|
| sannis napisał/a: | | A powiedz no, w jaki sposób połączyłeś dwa rzędy akumulatora - 10S+10S? jak izolujesz oba rzęd? |
Tak, są połączone w konfiguracji 10s9p + 10s9p.
Pakiety są oddzielone płytą epoksydową. |
_________________ Popełniłem:
Poison 3kW
Kona Stinky Nine 3kW
Aktualnie rzeźbię Falcona
inst: ebisef |
|
|
|
 |
Mechano
szef młody elektronik

Pomógł: 22 razy Dołączył: 29 Paź 2012 Posty: 1337 Skąd: Poznań
|
Wysłany: Pon 30 Paź, 2017
|
|
|
Czym lutowałeś akumulatorki?
Kolejny ebajker w Poznaniu 😁 |
|
|
|
 |
Ebisef
młodzik


Dołączył: 08 Sie 2016 Posty: 58 Skąd: Poznań
|
Wysłany: Pon 30 Paź, 2017
|
|
|
| Mechano napisał/a: | | Czym lutowałeś akumulatorki? |
Lutownicą
A tak na serio to ogniwa łączyłem paskami blachy miedzianej o szerokości 3,3mm i grubości 0,2mm. Taki pasek ma przekrój 0,66mm2 i przy 16A prądu ciągłego robi się lekko ciepły. |
_________________ Popełniłem:
Poison 3kW
Kona Stinky Nine 3kW
Aktualnie rzeźbię Falcona
inst: ebisef |
|
|
|
 |
leszcz
prezes

Pomógł: 10 razy Dołączył: 15 Lut 2017 Posty: 861 Skąd: Rumia
|
Wysłany: Pon 30 Paź, 2017
|
|
|
Nie wiem ile ciągniesz sabkiem z tego aku ale widzę, że popełniłeś ten sam błąd w tym aku co jak w swoich pierwszych dwóch aku: układ ogniw w celi ogranicza liczbę możliwych blaszek pomiędzy celami.
Ja kierowałem się tym, żeby pierwszą i ostatnią celę mieć przy blisko siebie i to był błąd.
Ty masz 3 blaszki pomiędzy.
Przy tej blaszce (0,66mm2) wg sztuki (1mm2 przekroju = 15A) możesz puszczać między celami jakieś 30A. Chyba że je pogrubisz. |
_________________ Moja przygoda z ebike od 2017:
Damka 28" https://cutt.ly/7e8jyMJ
Dla syna 26" https://cutt.ly/Fe8juR3
Dla syna 24" https://cutt.ly/ue8ju03
Full 29" MXUS 30H 1500W https://cutt.ly/3e8jiaG
Od 2019 100% bezprąd https://cutt.ly/ge8jop2 |
|
|
|
 |
Ebisef
młodzik


Dołączył: 08 Sie 2016 Posty: 58 Skąd: Poznań
|
Wysłany: Pon 30 Paź, 2017
|
|
|
W miejscu gdzie jest takie wąskie gardło przechodziło kilka blaszek .
Przed montażem testowałem możliwości tej blaszki, przy 25A/1mm2 prądu ciągłego była nieznacznie ciepła. Przy 69A/1mm2 miała już ok 90 stopni.
Poza tym w tej konstrukcji mam silnik 7x9, który jest bardzo ekonomiczny.
Rzadko kiedy watomierz wskazuje mi więcej niż 50A prądu chwilowego . |
_________________ Popełniłem:
Poison 3kW
Kona Stinky Nine 3kW
Aktualnie rzeźbię Falcona
inst: ebisef |
|
|
|
 |
Ebisef
młodzik


Dołączył: 08 Sie 2016 Posty: 58 Skąd: Poznań
|
|
|
|
 |
sky
początkujący

Dołączył: 11 Gru 2017 Posty: 25 Skąd: Krk
|
Wysłany: Pon 29 Sty, 2018
|
|
|
Bardzo fajny filmik, w sam raz aby komuś przedstawić zajawkę |
|
|
|
 |
|
|
Nie możesz pisać nowych tematów Nie możesz odpowiadać w tematach Nie możesz zmieniać swoich postów Nie możesz usuwać swoich postów Nie możesz głosować w ankietach Nie możesz załączać plików na tym forum Możesz ściągać załączniki na tym forum
|
Dodaj temat do Ulubionych Wersja do druku
|
|